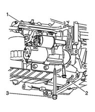
2006 Chevy Equinox Starter Location. Post your question and let the Vehicle History user community help you out with the right answer. The most recently reported issues are listed below. Also if you are stuck somewhere and are trying to start your Equinox the old beat the starter with a hammer trick is not a wives tale. The contact owns a 2006 Chevrolet Equinox.
I have a 2005 Chevy Equinox 34 L V-6 making Hi. ACDelco 2 Bosch 2 Duralast 2 Duralast Gold 1 PRODUCT CONDITION. 1-1 Front Seats. Also please check out the statistics and reliability analysis of Chevrolet Equinox based on all problems reported for the Equinox. 2008 Chevrolet Equinox Starter. 1-7 of 7 Results.
2008 Chevrolet Equinox Starter.
Enjoy the videos and music you love upload original content and share it all with friends family and the world on YouTube. New 1 Remanufactured 1 This is a test. The most recently reported issues are listed below. Also if you are stuck somewhere and are trying to start your Equinox the old beat the starter with a hammer trick is not a wives tale. See more on our website. The vehicle was taken to the dealer where it was diagnosed that the ignition sleeve would need to be replaced.